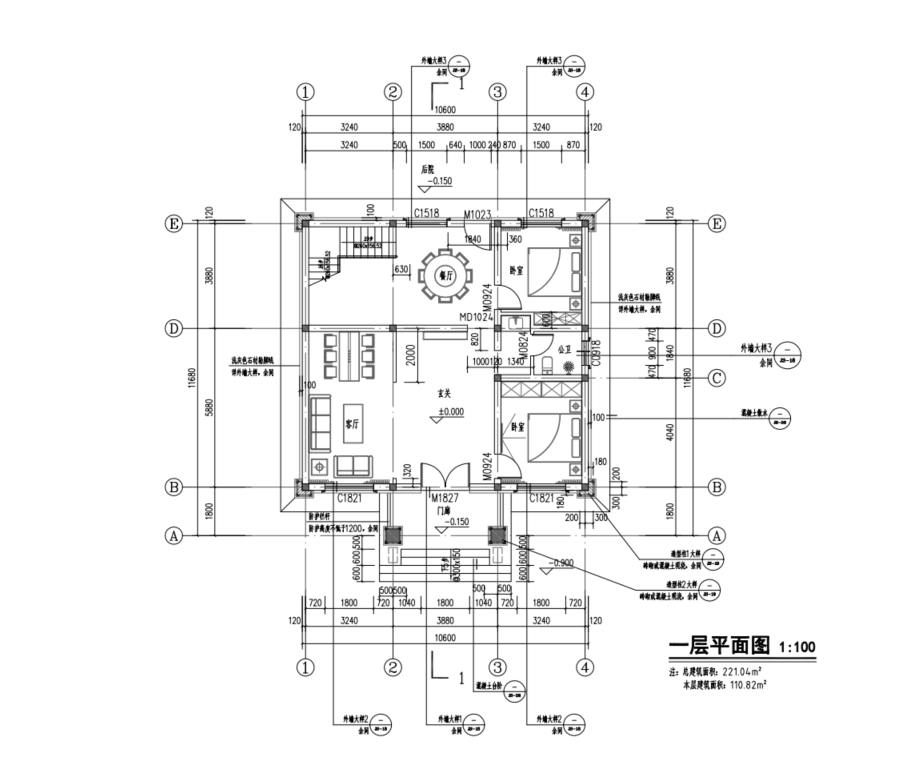
| 面宽:10.6m | 占地面积:110㎡ |
| 进深:9.88m | 建筑面积:221㎡ |
| 层数:2层 | 结构:框架结构 |
| 风格:新中式 | 图纸编号:b2011 |
效果图



平面图(楼层顺序排列)


声明:本站所有产品,如无特殊说明或标注,均为筑屋匠互联网服务有限公司原创发布。任何个人或组织,在未征得本站同意时,禁止复制、盗用、采集、发布本站内容到任何网站、书籍等各类媒体平台。如若本站内容侵犯了原著者的合法权益,可联系我们进行处理。
| 面宽:10.6m | 占地面积:110㎡ |
| 进深:9.88m | 建筑面积:221㎡ |
| 层数:2层 | 结构:框架结构 |
| 风格:新中式 | 图纸编号:b2011 |




